На цій сторінці представлені популярні конфігурації нагнітальних вентиляторів для котлів центрального опалення (ЦО) та вентиляції. У кожній з таблиць ви можете порівняти вентилятори за різними параметрами, такими як: країна-виробник двигуна, потужність котла, продуктивність, оберти, тиск, потужність двигуна, вага та інші параметри вентиляторів.
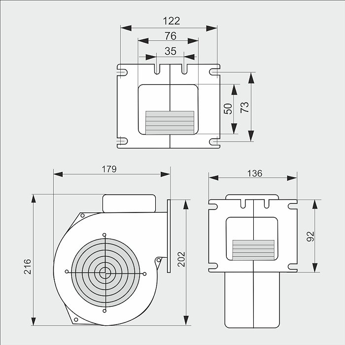
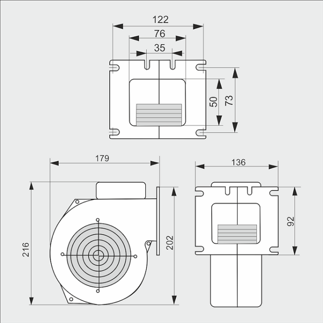
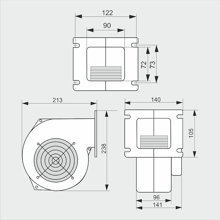
Також у кожній з таблиць при натисканні на назву вентилятора ви перейдете на його сторінку для перегляду детальних характеристик або замовлення та покупки вентилятора. При натисканні на фотографію можна побачити вентилятор з різних сторін. У характеристиках є схеми розмірів, їх можна наблизити для перегляду.
Таблиця 1. Технічні характеристики нагнітальних вентиляторів потужністю до 50 кВт.
| Модель вентилятора | WPA X2 | WPA 117 | WPA 120 | WPA 130 |
| Фотографії вентилятора | ![]() |
![]() |
![]() |
![]() |
| Тип двигуна | CS2E/120-XX01-FT | R2E 120-AR87-37 | R2E 120-AR38-40 | R2E 120-AR38-40 |
| Призначений для котла, кВт | до 40 | до 30 | до 50 | до 60 |
| Продуктивність, м3/год | 255 | 180 | 285 | 380 |
| Частота обертів, об/хв | 2470 | 1650 | 2500 | 1400 |
| Потужність, Вт | 67 | 34 | 83 | 105 |
| Максимальний тиск, Па | 360 | |||
| Номінальна напруга, В | 230 | |||
| Вага, кг | 2,1 | 2.1 | 2.1 | 2.0 |
| Ємність конденсатора, мкФ | 2 | 2 | 2 | 2 |
| Допустима температура навколишнього середовища, °C | -25 до 40 | |||
| Матеріал ротора | оцинковане залізо | |||
| Наявність діафрагми | ні | ні | ні | ні |
| Наявність клапана-засувки | так | так | так | так |
| Наявність кабеля до автоматики | так | так | так | так |
| Схеми та габаритні розміри | ![]() |
![]() |
![]() |
|
Таблиця 2. Технічні характеристики нагнітальних вентиляторів потужністю до 200 кВт.
| Модель вентилятора | WPA 140 | WPA 145 | WPA 160 | WPA 180 | CMB2/160 |
| Фотографії вентилятора | ![]() |
![]() |
![]() |
![]() |
![]() |
| Тип двигуна | R2E 140-AE77-C3 | R2E 140-AI28-05 | R2E 160-AY50-26 | R2E 180-CH03-01 | MY 711-2 |
| Призначений для котла, кВт | до 70 | до 80 | до 150 | до 200 | - |
| Призначений для автоматичної подачі (факельний та ретортний пальник), кВт | - | - | - | - | до 300 |
| Продуктивність, м3/год | 395 | 505 | 620 | 760 | 1120 |
| Частота обертів, об/хв | 1400 | 2400 | 2500 | 1950 | 2800 |
| Потужність, Вт | 105 | 160 | 210 | 400 | 370 |
| Максимальний тиск, Па | 355 | 390 | 630 | 720 | 760 |
| Номінальна напруга, В | 230 | ||||
| Вага, кг | 9,5 | ||||
| Ємність конденсатора, мкФ | 2,6 | 3,5 | 4,1 | 5,6 | 12 |
| Допустима температура навколишнього середовища, °C | -25 до 40 | ||||
| Матеріал ротора | оцинковане залізо | ||||
| Наявність діафрагми | ні | ні | ні | ні | ні |
| Наявність клапана-засувки | так | так | так | так | ні |
| Наявність кабеля до автоматики | так | так | так | так | ні |
| Схеми та габаритні розміри | ![]() |
![]() |
![]() |
![]() |
![]() |
12.11.2025
Рекомендовані котли
Котел Retra Heat 98 кВт Plus
149 200 грн.
Котел Retra Heat 300 кВт Combi
698 600 грн.
Котел Retra Heat 150 кВт Combi
408 600 грн.
Котел Retra Heat 450 кВт Plus
432 300 грн.
Котел Retra Heat 250 кВт Plus
273 700 грн.
Котел Retra-6M Orange 16 кВт
30 100 грн.
Котел Retra-6M Orange 26 кВт
37 900 грн.
Котел Retra Light Plus 40 кВт
63 300 грн.
Котел Retra Light Basic 32 кВт
50 800 грн.
Котел Retra Light Combi 125 кВт
380 600 грн.
Щеповий котел Retra-3М Bio 18 кВт
147 000 грн.
Котел Retra-6M Comfort R 16 кВт
38 500 грн.
Щеповий котел Retra-3М Bio 32 кВт
166 500 грн.
Котел Retra-6M Comfort O 26 кВт
43 600 грн.
Котел Retra-6M Orange 21 кВт
33 700 грн.
Котел Retra Heat 350 кВт Plus
351 200 грн.

Замовте зворотній дзвінок наш менеджер відповість на всі ваші питання


.jpg)
.jpg)



.jpg)
.jpg)
.jpg)
.jpg)
.jpg)


.jpg)




