Ціна вказана без ПДВ
Вентилятор відцентрового типу Dundar CS 12.2 - використовується для створення достатнього тиску і швидкості потоку повітря. Встановлюється в складських приміщеннях, гаражних і сільськогосподарських приміщеннях, майстернях, заводах. Також, може застосовуватися для охолодження промислових машин таких як - зварювальні апарати, трансформаторні станції і т.д.
Виробник використовує комплектуючі власного виробництва для лінійки відцентрових вентиляторів.
Особливість конструкції - відцентровий вентилятор DUNDAR CS 12.2
Корпус вентилятора Dundar CS 12.2 складається з холоднокатаної сталі. Цей матеріал добре переносить вплив кліматичних умов і захищає пристрій від впливу корозії. За рахунок досить компактного розміру, вентилятор використовують для охолодження обладнання. Для захисту від потрапляння сторонніх предметів пристрій має захисну решітку.
Вентилятори мають клас захисту IP 44, а також, оснащені запобіжниками багаторазового використання для захисту від перегріву (температура спрацьовування термозапобіжника +95°C). Клас ізоляції обмотки F (діапазон робочих температур від -40 до +70°C).
Вентилятор комплектується одно- і трифазними асинхронними двигунами з напругою живлення мережі 230 В - 50 Гц і 400 В - 50 Гц відповідно.
Гарантійний термін, протягом якого виробник здійснює ремонт обладнання для відцентрових вентиляторів становить 24 місяці.
Характеристики
- Потужність: 95 Вт
- Напруга, В: 230
- Частота струму, Гц: 50
- Рівень шуму, dB (A): Чітко чутно (50-55 дБА)
- Частота обертання, хв-1: 2860
- Максимальна температура переміщуваного повітря, 0С: 45
- Захист, клас: IP44
- Маса, кг: 2.9
- Фазність: 1 фаз - 220 В
- Максимальна витрата повітря, м³ / год: 315
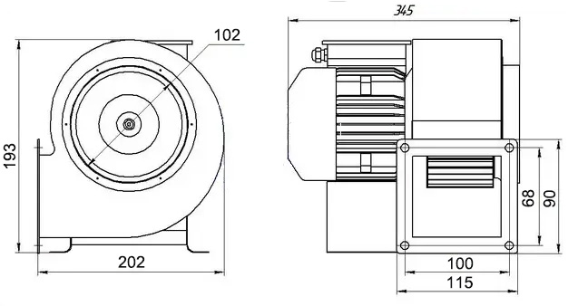
Габаритні розміри

Аеродинамічні характеристики


Замовте зворотній дзвінок наш менеджер відповість на всі ваші питання



