Ціна вказана без ПДВ
Відцентровий вентилятор створений, щоб переміщати пар, гази, повітря і дим, температура якого піднімається вище 50 оС. Його перевага в тому, що він переміщує маси повітря, навіть якщо там є липкі або волокнисті компоненти. Його можна використовувати практично в будь-якій сфері промисловості.
Корпус
Радіальний корпус вентилятора виконаний з високоякісного сталевого листа, холодного прокату. Завдяки таким матеріалам, корпус вентилятора має прекрасну стійкість до корозії. Також на корпус нанесено покриття з екологічно чистого епоксидного порошку.
Оцинковані колеса збалансовані відповідно до норм стандарту ISO 1940. Вхідні повітряна зона забору повітря захищена дротяною сіткою, а також є можливість керувати швидкістю повітряного потоку. Це все зроблене для того, щоб всередину вентилятора не потрапили всякі сторонні предмети, які туди може затягнути повітрям.
Двигун
- Шарикопідшипники мають тривалий термін служби. У двигуні є ротор, який відбалансований відповідно до європейського стандарту ISO 1940.
- Двигун має широкий робочий діапазон для котушок.
- Клас ізоляції F між -40° і + 70°С.
- Двигун має тепловий захист для однофазних вентиляторів.
- Однофазний двигун вентилятора працює з напругою 230 В / 50 Гц.
- Трифазний електродвигун вентилятора працює на напрузі 380 В / 50 Гц.
Всі компоненти двигуна сертифіковані і відповідають стандартам. Клас захисту IP 54 (проте можливо зробити моделі з класом захисту IP 55). Інверторне керування може бути використано тільки на трифазних вентиляторах.
Мотор оснащений гвинтом охолодження для безпечної роботи в важких умовах праці. Більш високий робочий діапазон дається тільки для котушок. Робочий діапазон для двигуна знаходиться в діапазоні між -20 ° і + 45 °.
Область застосування:
У канальних додатках, де тиск і ставки осьових вентиляторів є недостатніми, а також в опалювальних котлах на твердому паливі.
Вентилятор використовується для відводу гарячого повітря з районів, де температура стає занадто високою, наприклад:
- Склади, складські приміщення і площі, депо
- Гараж і громадські будівлі і сільськогосподарські будівлі,
- Комерційні теплиці,
- Великі майстерні,
- Фарбувальні цехи,
- Заводи,
- Пилові і пароподібні середовищ,
- Для охолодження промислового обладнання (наприклад, зварювальних машин, трансформаторів, компресорів ..)
Характеристики
- Потужність: 140 Вт
- Напруга, В: 230
- Рівень шуму, dB (A): 57 дБ (А)
- Частота обертання, хв-1: 1460
- Маса, кг: 7,8
- Максимальна витрата повітря, м³ / год: 750
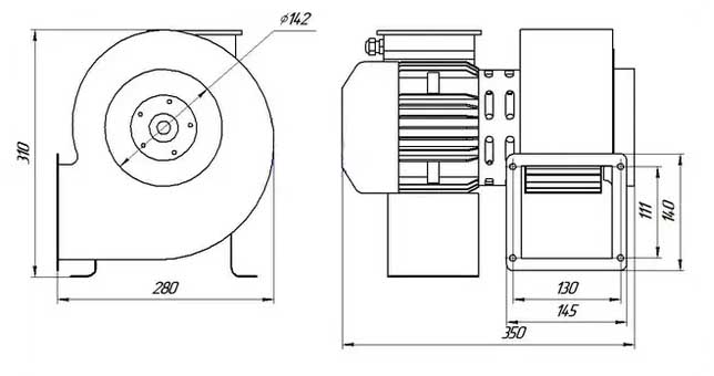
Габаритні розміри

Аеродинамічні параметри
.jpg)

Замовте зворотній дзвінок наш менеджер відповість на всі ваші питання






