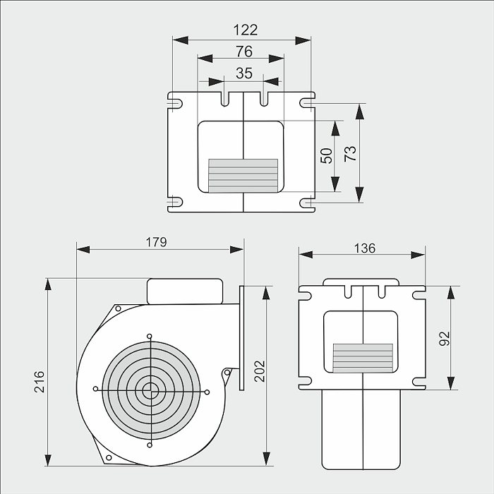
Габаритні розміри

Аеродинамічні параметри

Ціна вказана без ПДВ
Вентилятор MplusM WPA X2 призначений для примусової подачі повітря в камеру згоряння твердопаливного котла, що оптимізує процес згоряння пального. Використання цього вентилятора сприяє покращенню згорання пального, підвищенню ККД котла, а в поєднанні з керуючою автоматикою — автоматизації процесу горіння.
Завдяки нагнітаючому вентилятору ви можете управляти твердопаливним котлом незалежно від тяги в димоході та змін погодних умов, забезпечуючи комфорт у вашому приміщенні. Вентилятори M+M також придатні для використання у вентиляції приміщень і технологічного обладнання.
Конструктивно вентилятор WPA X2 складається з корпусу з алюмінієвого сплаву, робочого колеса (крильчатки) з оцинкованої сталі та вбудованого двигуна. Для безпеки в повітрозабірнику розміщена захисна решітка, яка запобігає потраплянню дрібних предметів у лопаті вентилятора.
Вихідний отвір турбіни обладнано заслінкою, що перешкоджає потраплянню диму і залишкових продуктів згоряння в приміщення під час зворотної тяги. При нормальному функціонуванні вентилятора заслінка залишається відкритою завдяки силі повітряного потоку, що створюється турбіною. При вимкненні вентилятора заслінка, діючи під дією контрваг, закриває отвір, заважаючи надходженню повітря в камеру згоряння, що також сприяє економії пального.
Турбіна MplusM WPA X2 є універсальною і підходить для більшості твердопаливних котлів. Вихідний отвір закінчується фланцем з отворами для кріплення до котла.
Технічна характеристика вентилятора М+М Х2
- Максимальний тиск: 355 Пa
- Максимальна продуктивність: 255 м3/год
- Кількість оборотів в хвилину: 2470 об/хв
- Потужність: 67 Вт
ІНШІ ПАРАМЕТРИ М + М Х2
|
Висота (мм) |
230 |
|
Продуктивність (м3/год) |
255 |
|
Вага (кг) |
2,1 |
|
Частота обертання (об/хв) |
2 470 |
|
Споживана потужність (Вт) |
67 |
|
Ємність конденсатора (мкФ) |
2 |
|
Ширина (мм) |
190 |
|
Глибина (мм) |
180 |
|
Мінімальна температура навколишнього середовища (град.) |
-25 |
|
Максимальний робочий тиск (Па) |
360 |
|
Матеріал корпусу |
Алюміній |
|
Країна виробник двигуна |
Польща |
|
Матеріал робочого колеса |
Сталь |

Замовте зворотній дзвінок наш менеджер відповість на всі ваші питання






-150x150.jpg)
-150x150.jpg)
-150x150.jpg)
-150x150.jpg)