
Ціна вказана без ПДВ
Відцентровий радіальний вентилятор Turbovent Turbo DE 160 використовується в різного роду промисловості, де необхідно очистити приміщення від агресивних повітряних мас і подати чисте і свіже повітря. Також даний вентилятор може бути задіяний для функції обдування, охолодження промислового обладнання.
Поширені місця застосування радіального вентилятора Turbovent Turbo DE 160:
- Твердопаливні і піролізні котли;
- Промислові будівлі;
- Складські приміщення;
- Ангари;
- цеху;
- Приміщення соціального призначення (офісні будівлі, накриті спортивні майданчики, магазини і т.д.)
Корпус вентиляторів Турбовент ДЕ 160 виготовлені з міцної листової сталі, крільчатка - з оцинкованої сталі, лопасті загнуті вперед, динамічно збалансовані. Високоякісний двигун даних вентиляторів не вимагає сервісного обслуговування, захисний клас - IP54.
Основні характеристики промислового радіального відцентрового вентилятора Турбовент ДЕ 160:
- Продуктивність - 1100 м³/год
- Тиск - 700 Pa
- Споживана потужність - 250 Вт
- Обороти двигуна - 2800 об/хв
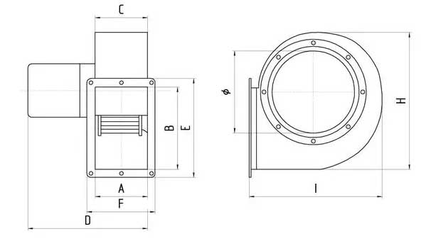
Габаритні розміри вентиляторів Turbo DE

| Модель | Ø, мм | A, мм | B, мм | F, мм | Е, мм | D, мм | Н, мм | І, мм |
| DE 75 | 62 | 50 | 52 | 77 | 81 | 145 | 160 | 122 |
| DE 100 | 75 | 60 | 56 | 104 | 100 | 160 | 180 | 152 |
| DE 125 | 100 | 95 | 80 | 130 | 130 | 225 | 280 | 205 |
| DE 150 | 100 | 70 | 76 | 120 | 120 | 200 | 275 | 200 |
| DE 160 | 120 | 95 | 105 | 140 | 153 | 330 | 350 | 355 |
| DE 190 | 200 | 115 | 140 | 170 | 195 | 350 | 480 | 320 |
Вентилятори Турбовент Turbo DE 160 мають компакні розміри, на корпусі розташовано зручні фланці для швидкого та надійного монтажу в горизонтальному та вертикальному вигляді. Замовити та купити вентилятор Turbo DE 160 можна за вказаними на сайті контактами.
Рекомендовані товари
Насос циркуляційний UPC 25/60/130 (Н-6, G-3,3) з дротом (без гайок), сірий, мідна обмотка GRS
765 грн.
Насос циркуляційний UPC 25/60/130 (Н-6, G-3,3) з дротом (без гайок), червоний, мідна обмотка GRS
741 грн.

Замовте зворотній дзвінок наш менеджер відповість на всі ваші питання


-150x150.jpg)

-150x150.jpg)
-150x150.jpg)
